Master3Plus käänikud

PIPELIFE Master 3+ on preemium mürasummutav hoonekanalisatsiooni süsteem.
• Suurepärane mürasummutus (parima tulemuse jaoks koos M3+ klambritega)
• Plastrõngaga tihend, mis hoiab tihendit paigalduse käigus omal kohal
• Eriline tihendiprofiil, tänu millele on pistejõud väiksem
• Jääkristalli markeering – lubatud paigaldada jahedates tingimustes vastavalt EN1451
• UV-kindlus
• Pistesügavuse markeering
• Tuletundlikkus B2
• Must värvus

Sõltumatud testid Fraunhoferi instituudis Saksamaal kinnitavad, et Master3Plus kuulub Euroopa vaikseimate hoonekanalisatsioonisüsteemide hulka. Master3Plus tootevalikusse kuulub üle 200 sobiva liitmiku, mis võimaldavad koostada lihtsalt ja tõhusalt peaaegu iga hoonekanalisatsiooni lahenduse. Master3Plus torusüsteemi paigaldamisel on oluline kasutada Master3Plus klambreid, et mürasummutus oleks maksimaalne. Torude ja liitmike disain vähendab õhu kaudu kanduvat müra, klambrite disain vähendab konstruktsiooni kaudu kanduvat müra.
Master3Plus muhvliited tagavad kiire ja kindla paigalduse ning erakordselt kõrge lekkekindluse. Liitmikud on valmistatud mineraaltäidisega polüpropüleenist (PP-MV), mille suurem seinapaksus ja kõrgem jäikusklass parandavad heliisolatsiooni. Tehases paigaldatud tugirõngaga tihend ning selge pistesügavuse markeering aitavad tagada korrektse ühenduse. 60-kraadise nurga all paiknevad tugevdusribid võimaldavad visuaalselt kontrollida liitmike õiget paigaldusnurka. Optimeeritud läbivooluga disain ja uus muhvi kuju vähendavad turbulentsi ning tagavad suurema vooluhulga ja rohkem ühendusvõimalusi püstikus.

  • RP ID: 216824

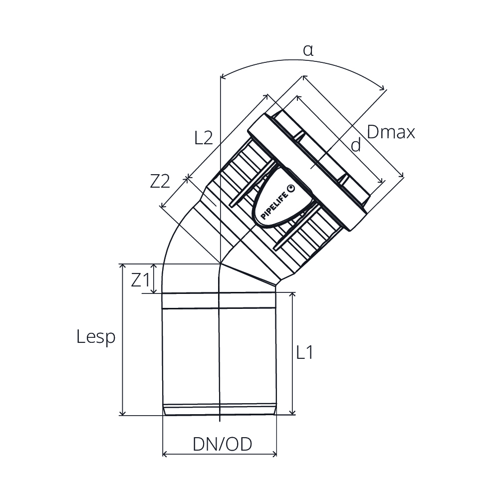
Tootekood Toote nimi Läbimõõt Nurk Ringjäikus (SN) Värv Toote pikkus (L) Toote laius (W) Toote kõrgus (H) Materjal Kogus kastis tk Kogus alusel tk
3496102494
PP MASTER 3 PLUS KÄÄNIK 50 NURGAGA 45° MUST
50 mm
45 °
SN 4
must
132 mm
64 mm
96 mm
PP
20
960
3496102496
PP MASTER 3 PLUS KÄÄNIK 50 NURGAGA 87° MUST
50 mm
87,5 °
SN 4
must
110 mm
64 mm
114 mm
PP
20
960
3496102498
PP MASTER 3 PLUS KÄÄNIK 110 NURGAGA 45° MUST
110 mm
45 °
SN 4
must
197 mm
128 mm
167 mm
PP
20
160
3496102543
PP MASTER 3 PLUS KÄÄNIK 75 NURGAGA 45° MUST
75 mm
45 °
SN 4
must
159 mm
90 mm
126 mm
PP
20
480
3496102547
PP MASTER 3 PLUS KÄÄNIK 75 NURGAGA 87° MUST
75 mm
87,5 °
SN 4
must
141 mm
90 mm
148 mm
PP
20
480
3496102560
PP MASTER 3 PLUS KÄÄNIK 110 NURGAGA 30° MUST
110 mm
30 °
SN 4
must
184 mm
128 mm
152 mm
PP
20
240
3496102563
PP MASTER 3 PLUS KÄÄNIK 110 NURGAGA 87° MUST
110 mm
87,5 °
SN 4
must
185 mm
128 mm
190 mm
PP
20
160
3496102576
PP MASTER 3+ KÄÄNIK 160/45° MUST
160 mm
45 °
SN 4
must
262 mm
185 mm
231 mm
PP
6
72
3496102578
PP MASTER 3+ KÄÄNIK 160/87,5° MUST
160 mm
87,5 °
SN 4
must
253 mm
185 mm
258 mm
PP
4
48
3496103033
PP MASTER 3 PLUS KÄÄNIK 50 NURGAGA 15° MUST
50 mm
15 °
SN 4
must
125 mm
64 mm
70 mm
PP
20
960
3496103034
PP MASTER 3 PLUS KÄÄNIK 50 NURGAGA 30° MUST
50 mm
30 °
SN 4
must
131 mm
64 mm
84 mm
PP
20
960
3496103035
PP MASTER 3 PLUS KÄÄNIK 75 NURGAGA 15° MUST
75 mm
15 °
SN 4
must
143 mm
90 mm
98 mm
PP
20
480
3496103036
PP MASTER 3 PLUS KÄÄNIK 75 NURGAGA 30° MUST
75 mm
30 °
SN 4
must
155 mm
90 mm
113 mm
PP
20
480
3496103039
PP MASTER 3 PLUS KÄÄNIK 110 NURGAGA 15° MUST
110 mm
15 °
SN 4
must
165 mm
128 mm
135 mm
PP
20
240
3496103103
PP MASTER 3+ KÄÄNIK 160/15° MUST
160 mm
15 °
SN 4
must
211 mm
185 mm
192 mm
PP
12
72
3496103104
PP MASTER 3+ KÄÄNIK 160/30° MUST
160 mm
30 °
SN 4
must
241 mm
185 mm
213 mm
PP
6
72

Võta meiega ühendust

Kirjuta meile
OTSI
Otsi kõigist tootedokumentidest

Võta meiega ühendust

Saatke meile oma küsimused, tagasiside ja kommentaarid ning võtame teiega esimesel võimalusel ühendust

E-post
Võtame teiega ühendust e-posti teel