PVC DRENAAŽITORU 58X50 KOOKOSFILTRIGA 150M SININE

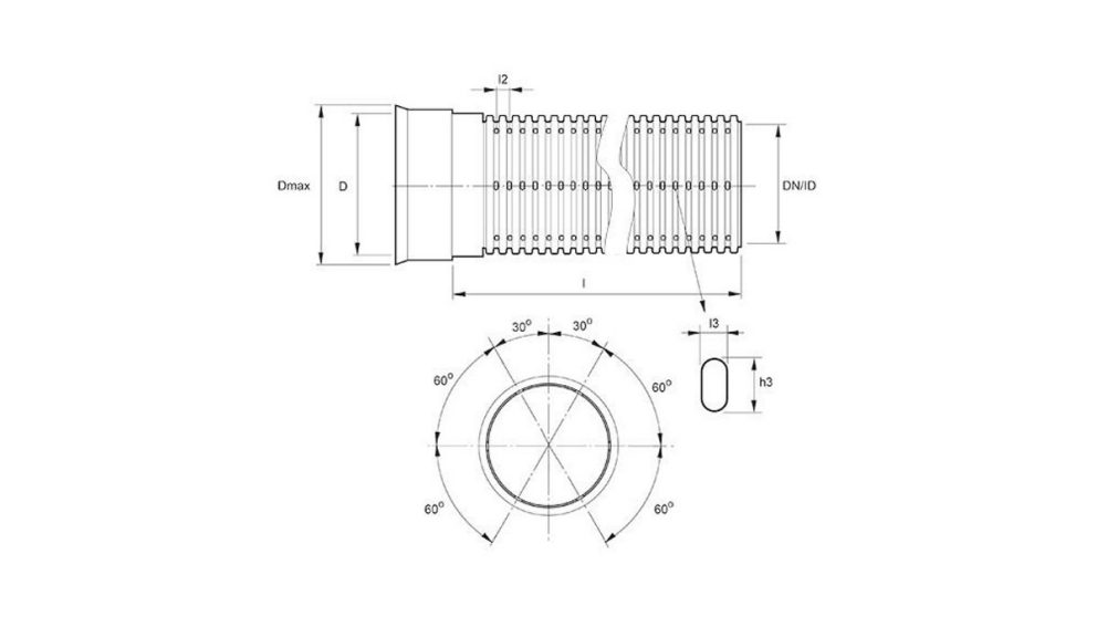
Ühekihiline PVC toru. Põllumajandusdrenaaži torude eesmärk on põllu kuivendamine ja liigvee ära juhtimine. Pinnasest imavad sademevett drenaažitoru augud, aga toru ümber on vajalik panna kangas või filter, et need ei ummistuks. Kookosfilter kaitseb drenaažitoru muda kogunemise eest ning parandab ühtlasi dreeni vee vastuvõtuvõimet. Kookosfiltriga drenaažitorud sobivad eelkõige savipinnaste dreenimiseks, kuid leiavad rakendust ka teiste pinnaste kuivendamisel tingimustes, kus pinnase kandvuse ja varinguohu tõttu torukraavis on raske mõnda teist filtrit paigaldada. Filter on orgaanilisest materjalist ning sellega tuleb arvestada planeerides süsteemi eluiga, PP-filtriga või geotekstiiliga drenaažitoru eluiga on pikem.

  • Tootekood: 70012089
PVC JDR Land drainage with cocos fiber_1
Toode on sortimendist väljas

Võta meiega ühendust

OTSI
Otsi kõigist tootedokumentidest

Võta meiega ühendust

Saatke meile oma küsimused, tagasiside ja kommentaarid ning võtame teiega esimesel võimalusel ühendust

E-post
Võtame teiega ühendust e-posti teel