PVC DRENAAŽITORU 74X65 KOOKOSFILTRIGA 50M SININE

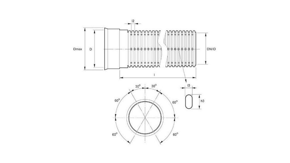
Ühekihiline PVC toru. Põllumajandusdrenaaži torude eesmärk on põllu kuivendamine ja liigvee ära juhtimine. Pinnasest imavad sademevett drenaažitoru augud, aga toru ümber on vajalik panna kangas või filter, et need ei ummistuks. Kookosfilter kaitseb drenaažitoru muda kogunemise eest ning parandab ühtlasi dreeni vee vastuvõtuvõimet. Kookosfiltriga drenaažitorud sobivad eelkõige savipinnaste dreenimiseks, kuid leiavad rakendust ka teiste pinnaste kuivendamisel tingimustes, kus pinnase kandvuse ja varinguohu tõttu torukraavis on raske mõnda teist filtrit paigaldada. Filter on orgaanilisest materjalist ning sellega tuleb arvestada planeerides süsteemi eluiga, PP-filtriga või geotekstiiliga drenaažitoru eluiga on pikem.

  • Tootekood: 70012103

Võta meiega ühendust

OTSI
Otsi kõigist tootedokumentidest

Võta meiega ühendust

Saatke meile oma küsimused, tagasiside ja kommentaarid ning võtame teiega esimesel võimalusel ühendust

E-post
Võtame teiega ühendust e-posti teel