PVC DRENAAŽITORU 74X65 PP-FILTRIGA 50M SININE

Ühekihiline PVC toru. Põllumajandusdrenaaži torude eesmärk on põllu kuivendamine ja liigvee ära juhtimine. Pinnasest imavad sademevett drenaažitorus augud, aga toru ümber on vajalik panna kangas või filter, et need ei ummistuks. PP-filtriga drenaažitoru on kaetud polüpropüleenkiududest filterkattega. Sobib paigalduseks liiva, savi ja turbapinnastesse. PP filtri valikul tuleb arvestada pinnaseosakeste suurusega pinnases ja vastavalt sellele valida sobilik suurusega PP filter. Pipelife põhivalikus on PP700 filtriga PVC drenaažitorud. Kuna PP filter on mittelagunevast materjalist, on antud torudest ehitatud drenaažisüsteemi eluiga väga pikk.

  • Tootekood: 70012108

Läbimõõt (D) 74 mm
Sisediameeter 65 mm
Seinapaksus (e) 4,5 mm
Pikkus 50 m
Materjal PVC (Polüvinüülkloriid)
Värv sinine
Transport rull
Painduvus coiled
Kaal (neto) 25,85
Kaal (bruto) 32,1
Kogus kastis tk 1
Kogus alusel tk 4

Aluse laius 1220 mm
Aluse kõrgus 1970 mm
Aluse pikkus 1220 mm
Kogus alusel tk 4

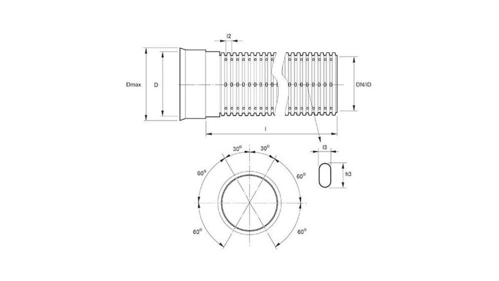
DN/ID 65 mm
D 74 mm
d 65 mm
e 4,5 mm
Pikkus 50 m

Võta meiega ühendust

OTSI
Otsi kõigist tootedokumentidest

Võta meiega ühendust

Saatke meile oma küsimused, tagasiside ja kommentaarid ning võtame teiega esimesel võimalusel ühendust

E-post
Võtame teiega ühendust e-posti teel