PVC DRENAAŽITORU 92X80 50M SININE

Ühekihiline PVC drenaažitoru katteta. Sobib kasutamiseks kõigi pinnaseliikide puhul, kaasa arvatud turbaja rauasisaldusega pinnased ning kohtades, kus soovitakse saavutada suurem veehaardevõime. Koos kruusast või saepurust drenaažifiltriga moodustub hästi toimiv ja efektiivne drenaažisüsteem. Turbapinnase dreenimisel võib drenaažifiltri sageli ära jätta. Põllumajandusdrenaaži torude eesmärk on põllu kuivendamine ja liigvee ära juhtimine. Sel juhul imavad pinnasest sademevett drenaažitoru augud, aga toru ümber on vajalik panna kangas või filter, et need ei ummistuks.

  • Tootekood: 70009959

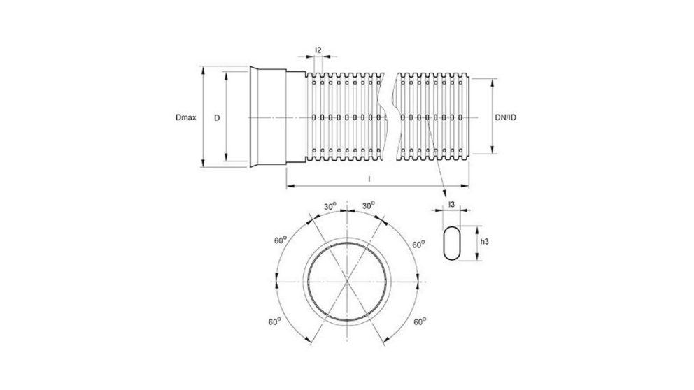
Läbimõõt (D) 92 mm
Sisediameeter 80 mm
Seinapaksus (e) 6 mm
Pikkus 50 m
Materjal PVC (Polüvinüülkloriid)
Värv sinine
Transport rull
Kaal (neto) 18
Kaal (bruto) 24,25
Kogus kastis tk 1
Kogus alusel tk 4

Aluse laius 1200 mm
Aluse kõrgus 2050 mm
Aluse pikkus 1200 mm
Kogus alusel tk 4

DN/ID 80 mm
D 92 mm
d 80 mm
e 6 mm
Pikkus 50 m

Võta meiega ühendust

OTSI
Otsi kõigist tootedokumentidest

Võta meiega ühendust

Saatke meile oma küsimused, tagasiside ja kommentaarid ning võtame teiega esimesel võimalusel ühendust

E-post
Võtame teiega ühendust e-posti teel